Petteri
вторник, 7 августа 2012 г.
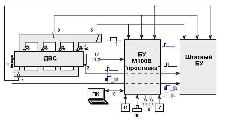
схема эмулятора лямбда зонда на ваз 2114
Лямбда-зонд (датчик кислорода) - Энциклопедия японских машин - на Drom.ru
Лямбда-зонд (датчик кислорода) - Энциклопедия японских машин
Самая вредная книга в доме - медицинская энциклопедия. Про какую болезнь ни прочитаешь, тут же находишь у себя е
Комментариев нет:
Отправить комментарий
Следующее
Предыдущее
Главная страница
Подписаться на:
Комментарии к сообщению (Atom)
Комментариев нет:
Отправить комментарий